Приложение А (обязательное) Схемы электрические АРМ ПЛС на Су-35С
Перечень схем электрических АРМ ПЛС на Су-35С приведен в таб. 9.1.
|
Номер страницы
|
Номер рисунка
|
Наименование
|
Количество листов
|
Примечание
|
|
|
|
|
|
|
|
|
|
АРМ ПЛС на Су-35С
|
|
|
|
|
|
|
|
|
|
133
|
Схема электрическая соединений АРМ ПЛС на Су-35С
|
1
|
ВГИП.161469.005Э4
|
|
|
|
|
|
|
|
|
|
|
АРМЛ7
|
|
|
|
|
|
|
|
|
|
135
|
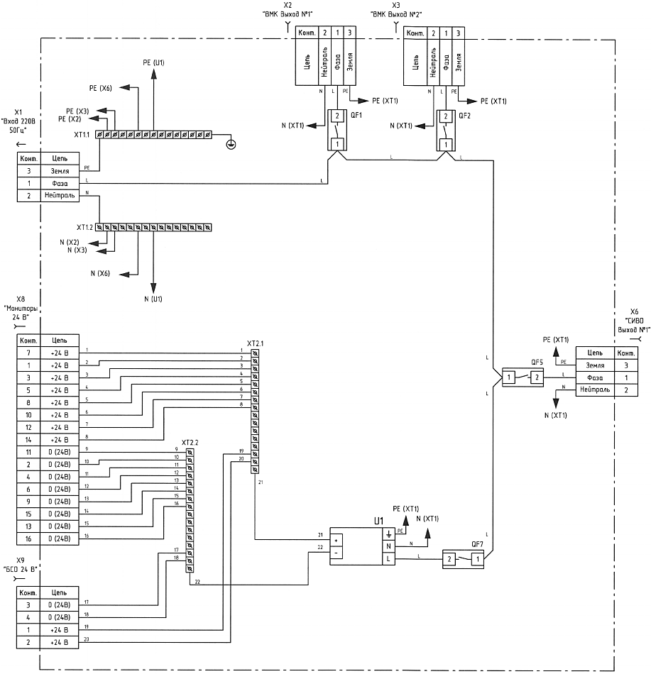
Схема электрическая общая АРМЛ
|
1
|
ВГИП.161468.001Э6
|
|
|
137
|
Перечень элементов схемы электрической общей АРМЛ
|
1
|
ВГИП.161468.001Э6
|
|
|
|
|
|
|
|
|
|
|
Оборудование АРМЛ
|
|
|
|
|
|
|
|
|
|
139
|
Схема электрическая принципиальная БСО
|
1
|
ВГИП.468359.139Э3
|
|
|
141
|
Перечень элементов схемы электрической принципиальной БСО
|
1
|
ВГИП.468359.139Э3
|
|
|
|
|
|
|
|
|
|
|
Имитатор системы управления
|
|
|
|
|
|
|
|
|
|
143
|
Схема электрическая принципиальная РУС14
|
1
|
ВГИП.798117.069Э3
|
|
|
145
|
Схема электрическая принципиальная имитатора РУД15
|
1
|
ВГИП.795521.437Э3
|
|
|
147
|
Схема электрическая соединений ДОС
|
1
|
ВГИП.303721.001Э4
|
|
|
|
|
|
|
|
|
|
|
Кабельная сеть
|
|
|
|
|
|
|
|
|
|
149
|
Схема электрическая соединений кабеля комбинированного
|
1
|
ВГИП.685688.632Э4
|
|
|
151
|
Перечень элементов схемы электрической соединений кабеля комбинированного
|
1
|
ВГИП.685688.632Э4
|
|
|
153
|
Схема электрическая соединений кабеля комбинированного
|
1
|
ВГИП.685688.633Э4
|
|
|
155
|
Схема электрическая соединений кабеля питания
|
1
|
ВГИП.685614.409Э4
|
|
|
157
|
Схема электрическая соединений кабеля питания
|
1
|
ВГИП.685614.410Э4
|
|
|
159
|
Схема электрическая соединений аудиокабеля гарнитуры (кабина-1)
|
1
|
ВГИП.685621.228Э4
|
|
|
161
|
Схема электрическая соединений кабеля К-ВП-К5э
|
1
|
ВГИП.685663.061Э4
|
|
|
|
|
|
|
|
|
|
|
ВК
|
|
|
|
|
|
|
|
|
|
163
|
Схема электрическая соединений ВК
|
1
|
ВГИП.466514.202Э4
|
|
|
165
|
Перечень элементов схемы электрической соединений ВК
|
1
|
ВГИП.466514.202Э4
|
|
|
167
|
Схема электрическая соединений установки извещателя и оповещателей
|
1
|
ВГИП.795519.344Э4
|
|
|
169
|
Схема электрическая соединений кабеля К-ВП-К5эА
|
1
|
ВГИП.685663.054Э4
|
|
|
|
|
|
|
|
|
|
|
СИВО5
|
|
|
|
|
|
|
|
|
|
133
|
Схема электрическая соединений СИВО
|
1
|
ВГИП.467249.004Э4
|
|
|
|
|
|
|
|
|
|
|
СЭП6
|
|
|
|
|
|
|
|
|
|
173
|
Схема электрическая соединений СЭП
|
1
|
ВГИП.565332.116Э4
|
|
|
175
|
Перечень элементов схемы электрической соединений СЭП
|
1
|
ВГИП.565332.116Э4
|
|
|
177
|
Схема электрическая принципиальная блока электропитания
|
1
|
ВГИП.565221.024Э3
|
|
|
179
|
Перечень элементов схемы электрической блока электропитания
|
1
|
ВГИП.565221.024Э3
|
|
|
181
|
Схема электрическая принципиальная кабеля питания
|
1
|
ВГИП.685614.456
|
|
|
183
|
Схема электрическая принципиальная кабеля питания
|
1
|
ВГИП.685614.457
|
|
|
185
|
Схема электрическая принципиальная кабеля питания
|
1
|
ВГИП.685614.458
|
|
|
187
|
Схема электрическая принципиальная кабеля питания
|
1
|
ВГИП.685614.459
|
Таблица 9.1: Перечень схем электрических АРМ ПЛС на Су-35С
Рисунок 9.1: Схема электрическая соединений АРМ ПЛС на Су-35С
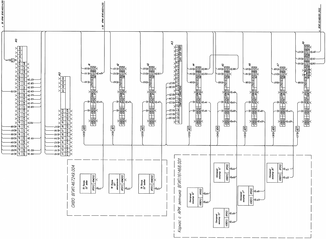
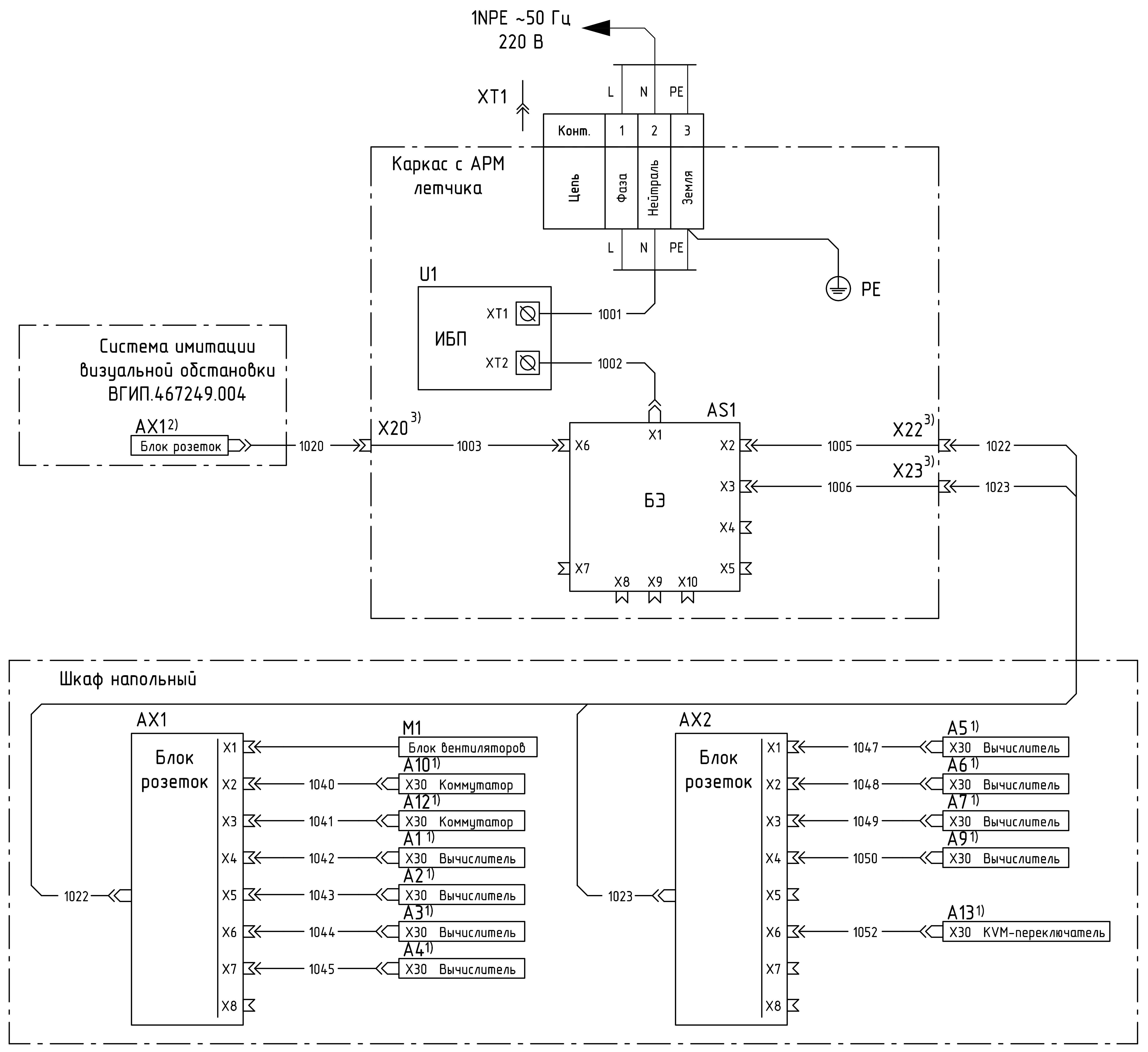
Рисунок 9.2: Схема электрическая общая АРМЛ
Рисунок 9.3: Перечень элементов схемы электрической общей АРМЛ
Рисунок 9.4: Схема электрическая принципиальная БСО
Рисунок 9.5: Перечень элементов схемы электрической принципиальной БСО
Рисунок 9.6: Схема электрическая принципиальная РУС
Рисунок 9.7: Схема электрическая принципиальная имитатора РУД
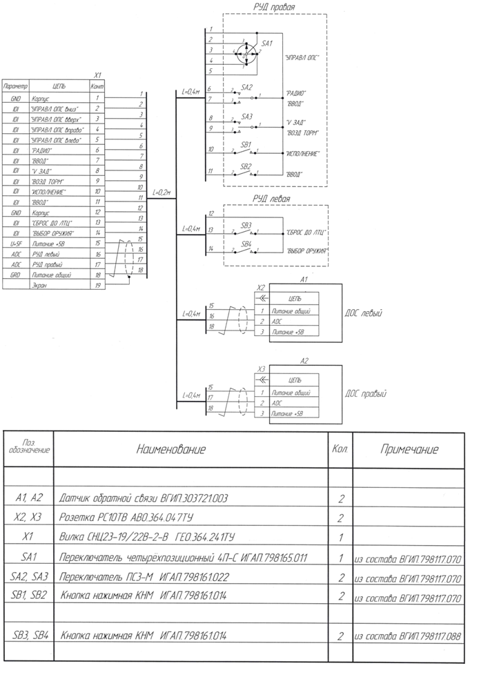
Рисунок 9.8: Схема электрическая соединений ДОС
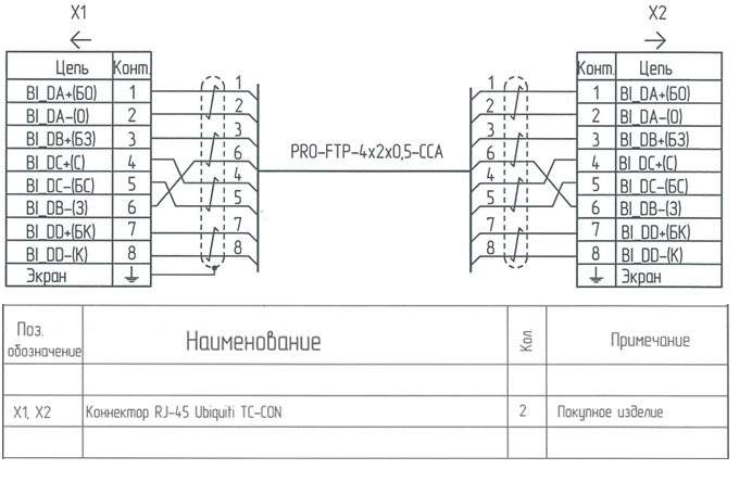
Рисунок 9.9: Схема электрическая соединений кабеля комбинированного
Рисунок 9.10: Перечень элементов схемы электрической соединений кабеля комбинированного
Рисунок 9.11: Схема электрическая соединений кабеля комбинированного
Рисунок 9.12: Схема электрическая соединений кабеля питания
Рисунок 9.13: Схема электрическая соединений кабеля питания
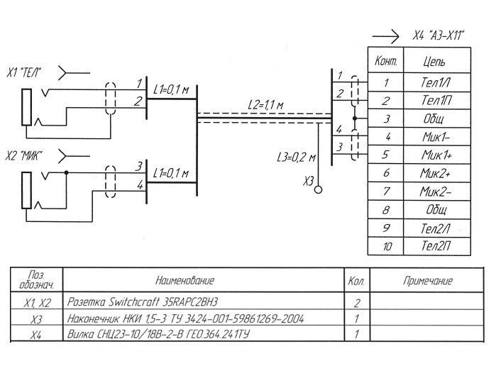
Рисунок 9.14: Схема электрическая соединений аудиокабеля гарнитуры (кабина-1)
Рисунок 9.15: Схема электрическая соединений кабеля К-ВП-К5э
Рисунок 9.16: Схема электрическая соединений ВК
Рисунок 9.17: Перечень элементов схемы электрической соединений ВК
Рисунок 9.18: Схема электрическая соединений установки извещателя и оповещателей
Рисунок 9.19: Схема электрическая соединений кабеля К-ВП-К5эА
Рисунок 9.20: Схема электрическая соединений СИВО
Рисунок 9.21: Схема электрическая соединений СЭП
Рисунок 9.22: Перечень элементов схемы электрической соединений СЭП
Рисунок 9.23: Схема электрическая принципиальная блока электропитания
Рисунок 9.24: Перечень схемы электрической принципиальной блока электропитания
Рисунок 9.25: Схема электрическая принципиальная кабеля питания
Рисунок 9.26: Схема электрическая принципиальная кабеля питания
Рисунок 9.27: Схема электрическая принципиальная кабеля питания
Рисунок 9.28: Схема электрическая принципиальная кабеля питания
- Рисунок 9.1: Схема электрическая соединений АРМ ПЛС на Су-35С
- Рисунок 9.2: Схема электрическая общая АРМЛ
- Рисунок 9.3: Перечень элементов схемы электрической общей АРМЛ
- Рисунок 9.4: Схема электрическая принципиальная БСО
- Рисунок 9.5: Перечень элементов схемы электрической принципиальной БСО
- Рисунок 9.6: Схема электрическая принципиальная РУС
- Рисунок 9.7: Схема электрическая принципиальная имитатора РУД
- Рисунок 9.8: Схема электрическая соединений ДОС
- Рисунок 9.9: Схема электрическая соединений кабеля комбинированного
- Рисунок 9.10: Перечень элементов схемы электрической соединений кабеля комбинированного
- Рисунок 9.11: Схема электрическая соединений кабеля комбинированного
- Рисунок 9.12: Схема электрическая соединений кабеля питания
- Рисунок 9.13: Схема электрическая соединений кабеля питания
- Рисунок 9.14: Схема электрическая соединений аудиокабеля гарнитуры (кабина-1)
- Рисунок 9.15: Схема электрическая соединений кабеля К-ВП-К5э
- Рисунок 9.16: Схема электрическая соединений ВК
- Рисунок 9.17: Перечень элементов схемы электрической соединений ВК
- Рисунок 9.18: Схема электрическая соединений установки извещателя и оповещателей
- Рисунок 9.19: Схема электрическая соединений кабеля К-ВП-К5эА
- Рисунок 9.20: Схема электрическая соединений СИВО
- Рисунок 9.21: Схема электрическая соединений СЭП
- Рисунок 9.22: Перечень элементов схемы электрической соединений СЭП
- Рисунок 9.23: Схема электрическая принципиальная блока электропитания
- Рисунок 9.24: Перечень схемы электрической принципиальной блока электропитания
- Рисунок 9.25: Схема электрическая принципиальная кабеля питания
- Рисунок 9.26: Схема электрическая принципиальная кабеля питания
- Рисунок 9.27: Схема электрическая принципиальная кабеля питания
- Рисунок 9.28: Схема электрическая принципиальная кабеля питания
